| Antal | Længde (mm) |
|---|
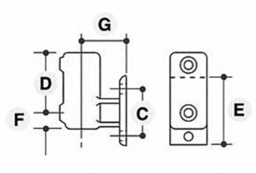
Lodret rækværksflange - Clarrods Clamps CL144
TILSKÆRING AF SKINNER OG RØR!
OBS! Hvert skær tager 3 mm af længden. 1. Klik på knappen "Tilføj". 2. Angiv antal og den ønskede længde (Klik igen på knappen "Tilføj", hvis du vil tilføje yderligere antal/længder). 3. Klik derefter på knappen ”Udregn”. Antallet opdateres herunder. 4. Klik tilsidst på ”Tilføj til kurven” knappen. Antal udskæringer og længder tilføjes til din kurv.
Lodret, forskudt rækværksflange til fastgørelse af sikkerhedsrækværker og gelændere til vægge, brystværn, trin og ramper m.m.
| CL fitting varenr. | A | B | C | D | E | F | G | Hul dia. mm |
Vægt kg |
|---|---|---|---|---|---|---|---|---|---|
| 144-2 | 2 | 104 | 96 | 65 | 14 | 0,83 | |||
| 144-3 | 3 | 112 | 110 | 64,5 | 14 | 1,16 | |||
| 144-4 | 4 | 120 | 123 | 65 | 14 | 1,31 |
Clamp størrelse ~ Rørdiameter: 2 ~ 33,7 mm (1”), 3 ~ 42,4 mm (1 1/4”)og 4 ~ 48,3 mm (1 1/2”)
OBS: Grundet materialets karakter kan der forekomme afvigelser fra de angivne mål. Vi anbefaler derfor, at du bruger fittingen til at markere huller før du borer.
Galvaniseret rækværksflange med lodret fod
Bemærk: Adgangen til det øverste fastgørelseshul på bagpladen begrænses af flangens form. Brug derfor en fastgørelsesbolt, skrue eller lignende med en maksimal længde på 25 mm.
Det lodrette rør kan ikke passere gennem denne flange uden at bunden bores ud.
Se også den vandrette, forskudte rækværksflange, rørfitting CL145 og rækværksflangen til væg, rørfitting CL146.
Byg nemt rækværk, gelænder og anden faldsikring m.m.
Clarrods Clamps er varmgalvaniseret med en ensartet dækning og en meget høj korrosionsbeskyttelse i al slags vejr.
Clarrods rørfittings leveres med rustfrie gevindskrue(r) og er super enkle at bygge med. Saml rør med Clarrods Clamps i lige præcis den længde, du har brug for - uden at svejse eller skære gevind. Placer og fastspænd blot fittingen på rør(ene) med en simpel unbrakonøgle eller en momentnøgle.
Du kan adskille og genbruge rør og fittings lige så nemt, og du får dermed en høj grad af fleksibilitet og flere anvendelsesmuligheder end med traditionelle VVS-fittings og vandrør med gevind.





























