| Antal | Længde (mm) |
|---|
Bruges parvis, men sælges enkeltvis.
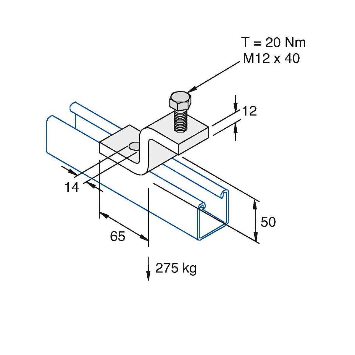
P1983 - Bjælkebeslag
TILSKÆRING AF SKINNER OG RØR!
OBS! Hvert skær tager 3 mm af længden. 1. Klik på knappen "Tilføj". 2. Angiv antal og den ønskede længde (Klik igen på knappen "Tilføj", hvis du vil tilføje yderligere antal/længder). 3. Klik derefter på knappen ”Udregn”. Antallet opdateres herunder. 4. Klik tilsidst på ”Tilføj til kurven” knappen. Antal udskæringer og længder tilføjes til din kurv.
Bjælkebeslag til profilskinne. Bruges parvis, men sælges enkeltvis.
Leveres varmgalvaniseret, Defender™ coated samt i rustfrit stål (A4).
Anbefalet max. belastning pr. beslag 270 kg. Min. spændestykke 26 mm. Max. spændestykke 46 mm. Pinolskrue tilspænding 20 Nm.
Elforzinket (ELZ) pinolskrue medfølger.
Variantoversigt
| Finish | |||||||
| Varenr | ELZ | VG | DF | SS | H (mm) | Hu (mm) | Kolli |
| P1983 | ● | ● | ● | 10 | |||





