| Antal | Længde (mm) |
|---|
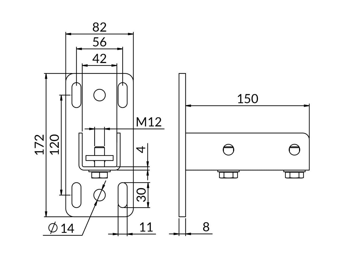
Bemærk! Anvend denne CERTA KE fodflange sammen med 82x82 mm KE skinner.
XPCSTSKE4 - CERTA KE STS flangebeslag | BESTILLINGSVARE
TILSKÆRING AF SKINNER OG RØR!
1. Klik på "Tilføj" knappen. 2. Angiv antal og den ønskede længde (Klik på "Tilføj" knappen, hvis du vil tilføje yderligere antal/længder). 3. Klik derefter på ”Udregn” knappen. Antallet opdateres herunder. 4. Klik derefter på ”Tilføj til kurven” knappen. Antal udskæringer og længder tilføjes til din kurv.
NB! BESTILLINGSVARE, VI KONTAKTER DIG ANGÅENDE LEVERINGSTID.
Ultra cover coated HD flangebeslag til 82x82 mm HD montageskinne, 172x82 mm.
CERTA KE flangebeslag til montering af en 41 mm standardskinne på en KE montageskinne. Til indendørs og udendørs brug.





